
Bettis CBB420 Pneumatic Actuator
Rp123000.00
Bettis CBB420 Pneumatic Actuator
The Bettis CBB420 is a high-performance double-acting pneumatic scotch-yoke actuator designed for reliable and efficient automation of quarter-turn valves. Engineered with a rugged housing and a mechanically optimized yoke mechanism, the CBB420 delivers high break torque, stable operating characteristics, and long service life even in demanding industrial environments.
This actuator is part of the Bettis CBB-Series, known for its robust construction, compact footprint, and flexible configuration options. The CBB420 is suitable for a wide range of applications, including ball, butterfly, and plug valve automation in oil and gas, petrochemical, power generation, and general industrial service. Its double-acting design ensures precise, bidirectional control with consistent torque output throughout the stroke.
Technical Specifications — Bettis CBB420
Actuator Type
Pneumatic quarter-turn actuator
Double-Acting (DA) configuration
Scotch-yoke mechanism for enhanced torque output
Model Size: CBB420
Performance
Cylinder Volumes
Outboard volume: 53 in³ (approx. 868 cm³)
Inboard volume: 115 in³ (approx. 1885 cm³)
Pressure Ratings
Maximum Operating Pressure (MOP): 120 psig (8.3 bar)
Maximum Allowable Working Pressure (MAWP): 200 psig (13.8 bar)
Torque Characteristics
High break torque due to scotch-yoke geometry
Stable torque profile across 90° rotation
Suitable for valves requiring high unseating force
Construction & Materials
Housing available in ductile iron or carbon steel
Heavy-duty scotch-yoke mechanism for long-term durability
Precision-machined internal surfaces for smooth operation
Designed for harsh process environments and industrial duty cycles
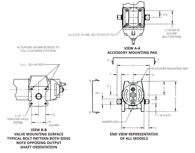
Dimensions (Double-Acting Configuration)
Overall Length (A): ~16.43 in
Height (B): ~8.57 in
Drive Housing Width (C): ~4.25 in
Pressure Port Size: 3/8 in. NPT
Mounting Thread (P): 3/8-16 UNC
Output Shaft Square (N): 3.00 in
(Dimensions may vary slightly depending on selected housing material and accessories.)
Weight
Ductile iron version: approx. 12.5 kg
Carbon steel version: approx. 13.1 kg
Operating Characteristics
90° rotary motion for quarter-turn valves
Bidirectional torque output
Suitable for horizontal or vertical installation
Compatible with accessories such as limit switches, positioners, and manual overrides
Applications
Ball valves
Butterfly valves
Plug valves
On/off automation
Process isolation
Oil & gas, petrochemical, refining, chemical, and power industries




